产品版块 PRODUCT

  • DJ-60型带极堆焊机头 (1)
  • DJ-60型带极堆焊机头 (2)
  • DJ-60型带极堆焊机头 (4)
  • DJ-60型带极堆焊机头 (1)
  • DJ-60型带极堆焊机头

    带极堆焊是用金属带代替焊丝做电极,在烧结焊剂或陶质焊剂层下进行的埋弧堆焊方式。

    联系我们资料下载

    产品概述

          带极堆焊是用金属带代替焊丝做电极,在烧结焊剂或陶质焊剂层下进行的埋弧堆焊方式。带极堆焊以其生产效率高、稀释率低的特点大量应用于化工和锅炉压力容器的不锈钢衬里等耐磨、耐腐蚀层堆焊,以及冶金轧辊尺寸修复堆焊工作。

          在石化行业的一些加氢设备和核容器及尿素设备中,内壁往往要求堆焊不锈钢,对于大面积堆焊而言,手工电弧焊和丝极自动堆焊不但效率低、堆焊层内部和表面质量差,而且在堆焊层和基层母材结合处往往易产生缺陷,因此带极自动堆焊技术应运而生。带极堆焊具有堆焊效率高、堆焊层内部质量均匀、堆焊表面平整光滑等特点,而且由于稀释率较低,堆焊金属与基体母材之间的结合面处不易产生焊接缺陷和发生质量问题。使用我们公司的专用埋弧堆焊电源配备专用的带极机头和相关辅助设备可以实现埋弧自动堆焊。

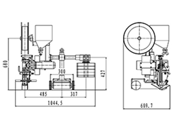
         本机头由带极机头本体、旋转支架、十字托盘、料斗、送带盘等部分组成(如图所示),采用整体结构设计,装配灵活方便,机头可实现整体90度旋转, 兼顾工件环缝、纵缝的堆焊要求。


    技术参数

    技术参数 


    C 适用焊带宽度: 30~60mm 


    C 适用焊带厚度: 0.4~1.0mm 


    C 十字托盘调整范围: 100mm×100mm 


    C 送带电机: 直流90V,1800r/min 


    C 料斗容积 10L 


    应用案例

    本页所示案例中应用到我司不同优质产品或服务

    产品推荐

    产品中心新闻动态联系我们

    Copyright © 2020 开云app平台入口 All rights reserved 鲁ICP备15016186号-6 技术支持:开创云

    二维码